| Verfügbarkeitsstatus: | |
|---|---|
| Menge: | |
DF-473C
HEE
DF-473C Stahl 8 'Knopfschock
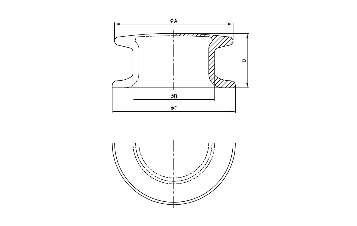
| Modell Nr. | Φa | ΦB | Φc | D | E | F | G | Wt. (Lbs) |
| DF-473C | 13 ' | 8 5/8 ' | 12 1/2 ' | 5/8 ' | 3 3/4 ' | 5 3/4 ' | 3/4 ' | 75 |
Der DF-473C-Stahl mit 8-Knopf-Chock gilt als kritische Festmacherkomponente im Meeresbetrieb und bietet eine sichere Anleitung und Kündigung für Schiffe aller Größen. Während der globale maritime Handel weiter expandiert, wobei der Markt für die Anleihe aus der kommerziellen Schifffahrt prognostiziert wird, bietet Chock eine außergewöhnliche Stärke und Haltbarkeit für den anspruchsvollen Hafenbetrieb. Der nach ISO 13713-Standards hergestellte DF-473C verfügt über eine 8-Knopf-Konfiguration, die den Seilkontakt optimiert und gleichzeitig Reibung und Verschleiß minimiert. Mit einer sicheren Arbeitsbelastung (SWL) von 981 kN (100 Tonnen) und Gewicht von 280 kg wird es für Hochleistungsanwendungen für Schüttguthändler, Containerschiffe und Offshore-Plattformen entwickelt.
Aus gegossenem Stahl von ASTM A27 Grade Grade wurde die Chock strenge nicht zerstörerische Tests durchgeführt, um das Fehlen interner Defekte zu gewährleisten, die die Festigkeit beeinträchtigen könnten. Das einteilige Guss eliminiert Schweißnähte, die potenzielle Ausfallpunkte erzeugen, während die wärmebehandelte Oberfläche eine minimale Härte von 180 BHN für Verschleißfestigkeit erreicht. Alle Oberflächen in Kontakt mit Festmacherleitungen sind reibungslos beendet, um die Seilabrieb zu reduzieren.
Das 8-Knopf-Design erzeugt mehrere Kontaktpunkte, die die Last gleichmäßig über die Seiloberfläche verteilen, die lokalisierte Spannung verringern und die Lebensdauer des Seilbetriebs verlängern. Die gekrümmten Knopfflächen verfügen über ein für synthetisches Festmacherleitungen optimiertes Diese Geometrie bietet Seildurchmesser von 60 mm bis 90 mm und hält gleichzeitig einen optimalen Kontakt. Biegenverhältnis von 12: 1 , wodurch der Verlust der Seilstärke während der Festmacheroperationen minimiert werden.
Der Chock erhält ein mehrstufiges Schutzschichtsystem, einschließlich Sandstrahlen zu SA 2.5-Standards, zinkreicher Primer und marinem Polyurethan-Topcoat. Alle exponierten Oberflächen sind mit diesem System bedeckt und bieten 1,500 Stunden Salzspray -Widerstand pro ASTM B117 -Test. Entwässerungslöcher verhindern die Akkumulation von Wasser in einzeitlichen Bereichen, wodurch die Korrosionsbeständigkeit weiter verbessert wird.
ISO 13713 stellt internationale Standards für Design, Materialien, Tests und Leistung von Festmacherdokalen fest, um die Kompatibilität und Sicherheit in den globalen maritimen Operationen zu gewährleisten. Die Zertifizierung bestätigt, dass der DF-473C strenge Anforderungen an Stärke, Haltbarkeit und Seilkompatibilität erfüllt.
Das 8-Knopf-Design bietet mehr Kontaktpunkte als 4-Knopf-Modelle und verteilt die Last gleichmäßiger über die Seiloberfläche, um die Verschleiß zu verringern und die Seillebensdauer zu verlängern. Diese Konfiguration bietet eine bessere Seilregelung als größere Einzel-Button-Konstruktionen und hält gleichzeitig eine ausreichende Seilfreiheit für den Betrieb mit synthetischen Linien.
Der DF-473C ist für synthetische Festmacherlinien mit Durchmessern von 60 mm und 90 mm (2,36 bis 3,54 Zoll) optimiert. Dieser Bereich umfasst die häufigsten Größen, die auf Panamax -Containerschiffen, Schüttgütern und Offshore -Unterstützungsschiffen verwendet werden.
Die Spalte erfordert eine Schweißinstallation an den strukturellen Mitgliedern des Schiffes (Bulkhead oder Deck), wobei kontinuierliche Filetschweißungen die AWS D1.1 -Standards erfüllen. Die ordnungsgemäße Ausrichtung mit Festmacherwinden ist entscheidend, wobei die Chock -Mittellinie innerhalb von 5 ° der Seilzugrichtung ausgerichtet ist, um die Seitenbelastung und vorzeitige Verschleiß zu vermeiden.
Die Spalte sollte monatlich auf Seilverschleißmuster, Korrosion und lose Befestigungselemente inspiziert werden. Die Seilkontaktoberflächen sollten regelmäßig gereinigt werden, um Trümmer zu entfernen, die Seile abbauen könnten. In allen beschädigten Bereichen sollte der Korrosionsschutz aufrechterhalten werden. Jährliche Lasttests werden für Spalte in kritischen Anwendungen empfohlen.
DF-473C Stahl 8 'Knopfschock
| Modell Nr. | Φa | ΦB | Φc | D | E | F | G | Wt. (Lbs) |
| DF-473C | 13 ' | 8 5/8 ' | 12 1/2 ' | 5/8 ' | 3 3/4 ' | 5 3/4 ' | 3/4 ' | 75 |
Der DF-473C-Stahl mit 8-Knopf-Chock gilt als kritische Festmacherkomponente im Meeresbetrieb und bietet eine sichere Anleitung und Kündigung für Schiffe aller Größen. Während der globale maritime Handel weiter expandiert, wobei der Markt für die Anleihe aus der kommerziellen Schifffahrt prognostiziert wird, bietet Chock eine außergewöhnliche Stärke und Haltbarkeit für den anspruchsvollen Hafenbetrieb. Der nach ISO 13713-Standards hergestellte DF-473C verfügt über eine 8-Knopf-Konfiguration, die den Seilkontakt optimiert und gleichzeitig Reibung und Verschleiß minimiert. Mit einer sicheren Arbeitsbelastung (SWL) von 981 kN (100 Tonnen) und Gewicht von 280 kg wird es für Hochleistungsanwendungen für Schüttguthändler, Containerschiffe und Offshore-Plattformen entwickelt.
Aus gegossenem Stahl von ASTM A27 Grade Grade wurde die Chock strenge nicht zerstörerische Tests durchgeführt, um das Fehlen interner Defekte zu gewährleisten, die die Festigkeit beeinträchtigen könnten. Das einteilige Guss eliminiert Schweißnähte, die potenzielle Ausfallpunkte erzeugen, während die wärmebehandelte Oberfläche eine minimale Härte von 180 BHN für Verschleißfestigkeit erreicht. Alle Oberflächen in Kontakt mit Festmacherleitungen sind reibungslos beendet, um die Seilabrieb zu reduzieren.
Das 8-Knopf-Design erzeugt mehrere Kontaktpunkte, die die Last gleichmäßig über die Seiloberfläche verteilen, die lokalisierte Spannung verringern und die Lebensdauer des Seilbetriebs verlängern. Die gekrümmten Knopfflächen verfügen über ein für synthetisches Festmacherleitungen optimiertes Diese Geometrie bietet Seildurchmesser von 60 mm bis 90 mm und hält gleichzeitig einen optimalen Kontakt. Biegenverhältnis von 12: 1 , wodurch der Verlust der Seilstärke während der Festmacheroperationen minimiert werden.
Der Chock erhält ein mehrstufiges Schutzschichtsystem, einschließlich Sandstrahlen zu SA 2.5-Standards, zinkreicher Primer und marinem Polyurethan-Topcoat. Alle exponierten Oberflächen sind mit diesem System bedeckt und bieten 1,500 Stunden Salzspray -Widerstand pro ASTM B117 -Test. Entwässerungslöcher verhindern die Akkumulation von Wasser in einzeitlichen Bereichen, wodurch die Korrosionsbeständigkeit weiter verbessert wird.
ISO 13713 stellt internationale Standards für Design, Materialien, Tests und Leistung von Festmacherdokalen fest, um die Kompatibilität und Sicherheit in den globalen maritimen Operationen zu gewährleisten. Die Zertifizierung bestätigt, dass der DF-473C strenge Anforderungen an Stärke, Haltbarkeit und Seilkompatibilität erfüllt.
Das 8-Knopf-Design bietet mehr Kontaktpunkte als 4-Knopf-Modelle und verteilt die Last gleichmäßiger über die Seiloberfläche, um die Verschleiß zu verringern und die Seillebensdauer zu verlängern. Diese Konfiguration bietet eine bessere Seilregelung als größere Einzel-Button-Konstruktionen und hält gleichzeitig eine ausreichende Seilfreiheit für den Betrieb mit synthetischen Linien.
Der DF-473C ist für synthetische Festmacherlinien mit Durchmessern von 60 mm und 90 mm (2,36 bis 3,54 Zoll) optimiert. Dieser Bereich umfasst die häufigsten Größen, die auf Panamax -Containerschiffen, Schüttgütern und Offshore -Unterstützungsschiffen verwendet werden.
Die Spalte erfordert eine Schweißinstallation an den strukturellen Mitgliedern des Schiffes (Bulkhead oder Deck), wobei kontinuierliche Filetschweißungen die AWS D1.1 -Standards erfüllen. Die ordnungsgemäße Ausrichtung mit Festmacherwinden ist entscheidend, wobei die Chock -Mittellinie innerhalb von 5 ° der Seilzugrichtung ausgerichtet ist, um die Seitenbelastung und vorzeitige Verschleiß zu vermeiden.
Die Spalte sollte monatlich auf Seilverschleißmuster, Korrosion und lose Befestigungselemente inspiziert werden. Die Seilkontaktoberflächen sollten regelmäßig gereinigt werden, um Trümmer zu entfernen, die Seile abbauen könnten. In allen beschädigten Bereichen sollte der Korrosionsschutz aufrechterhalten werden. Jährliche Lasttests werden für Spalte in kritischen Anwendungen empfohlen.
Der DF-274-5 2 Hunde erhöhte wasserdichte Luke ist eine Premium-Marine-Deck-Fitness, die von Hee (Changshu Haichuan Engineering & Equipment Co., Ltd.) entwickelt wurde, einem führenden Hersteller in China, der sich auf Meeres- und Offshore-Geräte spezialisiert hat. Diese Luke wurde entwickelt, um den kritischen Bedarf an zuverlässigen Wasserbeständigkeit in harten marinen Umgebungen zu befriedigen, und dient als Schutzbarriere für Decköffnungen, wodurch Wasserein-, Staubakkumulation und Korrosion verhindern kann, die die inneren Komponenten von Schiffen, Offshore -Plattformen oder Portinfrastruktur beschädigen könnte.