Der DF-274-5 2 Hunde erhöhte wasserdichte Luke ist eine Premium-Marine-Deck-Fitness, die von Hee (Changshu Haichuan Engineering & Equipment Co., Ltd.) entwickelt wurde, einem führenden Hersteller in China, der sich auf Meeres- und Offshore-Geräte spezialisiert hat. Diese Luke wurde entwickelt, um den kritischen Bedarf an zuverlässigen Wasserbeständigkeit in harten marinen Umgebungen zu befriedigen, und dient als Schutzbarriere für Decköffnungen, wodurch Wasserein-, Staubakkumulation und Korrosion verhindern kann, die die inneren Komponenten von Schiffen, Offshore -Plattformen oder Portinfrastruktur beschädigen könnte.
| Verfügbarkeitsstatus: | |
|---|---|
| Menge: | |
DF-274-5
DF-274-5 2 Hunde erhöhte wasserdichte Luke
Im Gegensatz zu Generic Hatch Solutions integriert der DF-274-5 eine robuste Konstruktion mit benutzerzentriertem Design, was es sowohl für gewerbliche als auch für industrielle Anwendungen geeignet ist. Unterstützt von HEEs jahrzehntelange Fertigungsexpertise, die Luke haftet an internationalen Qualitätsstandards und unterzogen sich strengen Leistungstests, um eine Konsistenz zu gewährleisten. Die erhöhte Struktur verbessert die Kompatibilität mit ungleichmäßigen Deckflächen, während der Doppelhundverriegelungsmechanismus den Betrieb vereinfacht-selbst in Szenarien mit hohem Stress. Für globale Kunden bietet HEE Just-in-Time-Lieferung und maßgeschneiderte Anpassungen an, um die DF-274-5 2-Hunde, die wasserdichtes hässliche Luke als erstklassige Wahl für Marine-Ingenieure und -Projektmanager, weiter zu festigen.
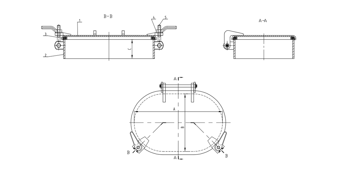
Die Präzision in den Abmessungen ist für die nahtlose Deckintegration von entscheidender Bedeutung, und der DF-274-5 ist so konstruiert, dass er die anspruchsvollen Standards entspricht. Die folgende Tabelle beschreibt ihre physikalischen Kernparameter:
Modell Nr. | A (Länge) | B (Breite) | C (Höhe) | Wt. (Gewicht) |
DF-274-5 | 23 ' | 15 ' | 5 ' | 90 lbs |
Jede Komponente der DF-274-5 2 Hunde, die mit der Wasserdicht erhöht ist, wird wegen Haltbarkeit und Widerstands gegen marinenspezifische Verschleiß ausgewählt. In der folgenden Tabelle werden die Materialspezifikationen beschrieben, während die Leistungstests ihre wasserdichten Behauptungen bestätigen:
Name & Spezifikationen | Menge | Material |
Abdeckung (Luke Top) | 1 | STEEL |
Koaming (Decksrahmen) | 1 | STEEL |
Dichtungsdichtung | 1 | Neopren |
Hundegriff (Sperren) | 2 | GUSSEISEN |
Tumble Bolt (Befestigungselement) | 2 | BRONZE |
Um eine kompromisslose wasserdichte Leistung zu gewährleisten, wird der DF-274-5 mit einem Druck von 0,04 MPa obligatorische Leckageprüfungen unterzogen, was die Branchenbenchmarks für die Wasserbeständigkeit in Meeresdecksanschlüssen entspricht. Dieser Test simuliert starken Regen, Wellenspritzer und hohen Bedingungen mit hoher Luftfeuchtigkeit und garantiert keine Wasserdurchdringung, wenn die Luke ordnungsgemäß gesichert ist.
Der Hauptvorteil des Die DF-274-5 2-Hundes erhöhte wasserdichte Hatchs in seiner außergewöhnlichen Versiegelungsfähigkeit. Neopren -Dichtung - ein synthetischer Gummi, der für Flexibilität und chemischer Widerstand bekannt ist - bildet eine enge Dichtung zwischen der Stahlabdeckung und dem Koaming. Im Gegensatz zu starren Dichtungen passt Neopren an kleinere Deckschwingungen oder thermische Expansion an, wodurch Lücken beseitigt, die Lecks verursachen. Der doppelte Gusseisenhundgriff funktioniert zusammen mit Bronze -Tumble -Schrauben, um den Druck gleichmäßig über die Dichtung zu verteilen, und sorgt auch nach wiederholten Verwendung konsistente Versiegelung. Dieses Design macht die Luke ideal für Gebiete, die Salzwasser, starker Niederschläge oder hoher Feuchtigkeit ausgesetzt sind.
Meeresumgebungen fordern Materialien, die Salzwasser, Oxidation und Auswirkungen standhalten-und der DF-274-5 liefert an dieser Front. Die Stahlabdeckung und die Koaming bieten strukturelle Steifigkeit, um schwere Lasten (z. B. Fußverkehr, Platzierung der Geräte) ohne Biegen oder Risse zu bewältigen. Bronze -Tumble -Schrauben widerstehen Rost und galvanischer Korrosion, ein häufiges Problem mit Stahlverbot in Salzwasser. In der Zwischenzeit bieten die Gusseisen -Hundegriffe einen überlegenen Verschleißfestigkeit und gewährleisten jahrelang ohne Verformung einen reibungslosen Betrieb. Für Kunden in extremen Umgebungen (z. B. Offshore Oil Rigs) bietet HEE optionale, heißen, verzinkte Veredelung oder Edelstahlkonstruktion , um die Korrosionsbeständigkeit weiter zu verbessern.
Der DF-274-5 ist auch in engen Räumen oder Notfallszenarien ausgelegt. Die beiden Hundegriffe verfügen über einen rutschfesten Griff, sodass die Bediener die Luke schnell sperren/entsperren können-keine speziellen Werkzeuge erforderlich. Im Gegensatz zu Multi-Bolt-Luken, die eine sequentielle Feststellung erfordern, verkürzt der Dual-Dog-Mechanismus die Betriebszeit um 50%, ein kritischer Vorteil bei dringenden Reparaturen oder Ladungsbelastungen. Darüber hinaus minimiert die einfache Komponentenstruktur der Luke die Wartung.
HEE erkennt an, dass jedes Marine-Projekt einzigartige Anforderungen hat, sodass der DF-274-5 2-Hunde, der wasserdicht ist, maßgeschneiderte Lösungen bietet. Über den Standard-Stahlkonstruktion hinaus können die Kunden sich für extreme Korrosionsbeständigkeit (z. B. tropische Meeresumgebungen) oder eine heiß getippte Galvanisierung für den kostengünstigen Rostschutz für Die Höhenanpassung ist auch verfügbar: Das Standard 5' -Koaming kann so eingestellt werden, dass sie Decksöffnungen in verschiedenen Tiefen anpassen, um eine nahtlose Integration in die vorhandene Infrastruktur zu gewährleisten. Edelstahl (316L) entscheiden.
Der DF-274-5 ist ein Grundnahrungsmittel für Frachtschiffe, Fähren und Angelschiffe. Es ist in der Regel auf Decköffnungen installiert, die zu unter Deck-Ladungspunkten, Motorräumen oder Besatzungsvierteln führen-schützen empfindliche Geräte (z. B. elektrische Systeme, Kraftstofftanks) durch Wasserschäden während rauer See. Seine 90-Pfund-Gewichtsstrafe dauerhaft und die Tragbarkeit. Damit ist es für mittelgroße Schiffe geeignet, bei denen Gewichtsbeschränkungen gelten.
Offshore-Plattformen arbeiten in einigen der härtesten Umgebungen, sodass die df-274-5 2-hundgewachsene wasserdichte Luke zum Stand von Salzspray, starken Wind und Temperaturschwankungen konstruiert ist. Es wird verwendet, um Öffnungen an Wartungswellen, Lagerraum und Kontrollräumen zu versiegeln und Korrosion kritischer Infrastruktur (z. B. Pipelines, Ventile) zu bestimmen. Die optionale Konstruktion aus rostfreiem Stahl wird für diese Anwendungen dringend empfohlen, da sie die Lebensdauer der Luke um 3 bis 5 Jahre im Vergleich zu Standardstahl verlängert.
Anschlüsse und Docks erfordern Luken, die schweren Fußverkehr, Ausrüstungsbewegung und Exposition gegenüber Gezeitenwasser bewältigen können. Die Stahlabdeckung von DF-274-5 unterstützt Lasten von bis zu 500 Pfund. Damit ist es ideal für die Installation auf Dock-Decks, Lagerladebächtern oder Wartungstunneln. Sein wasserdichtes Design schützt auch unterirdische Versorgungsunternehmen (z. B. elektrische Kabel, Wasserrohre) vor Überschwemmungen bei hohen Gezeiten oder starkem Regen.
Intermodale Behälter (z. B. Versandbehälter, Schienenguteinheiten) erfordern häufig Luken für den Zugang zu interner Lagerung. Die erhöhte Struktur des DF-274-5-Unternehmens verhindert, dass Wasser auf der Abdeckung zusammenhält, ein häufiges Problem mit Flush-Luken, das zu Leckagen führt. Es wird verwendet, um Öffnungen an gekühlten Behältern (Reefers) oder gefährlichen Materialbehältern zu versiegeln und sicherzustellen, dass die Fracht (z. B. Lebensmittel, Chemikalien) vor Feuchtigkeit und Kontamination während des Transports geschützt bleibt.
HEE (Changshu Haichuan Engineering & Equipment Co., Ltd.) bietet End-to-End-Unterstützung für die DF-274-5 2 Hunde, die wasserdicht ist . Kunden profitieren von:
· Beratung vor dem Verkauf: Die Ingenieure von HEE unterstützen die Empfehlungen zur Abmessung und die Anpassungsempfehlungen, um sicherzustellen, dass die Luke zu bestimmten Projektanforderungen entspricht.
· Globale Lieferung: Just-in-Time-Versand in über 50 Länder mit beschleunigten Optionen für dringende Projekte.
· After-Sales-Service: Ersatzteile (z. B. Neoprendichtungen, Bronzeschrauben) sind für eine schnelle Lieferung erhältlich und minimieren Ausfallzeiten.
DF-274-5 2 Hunde erhöhte wasserdichte Luke
Im Gegensatz zu Generic Hatch Solutions integriert der DF-274-5 eine robuste Konstruktion mit benutzerzentriertem Design, was es sowohl für gewerbliche als auch für industrielle Anwendungen geeignet ist. Unterstützt von HEEs jahrzehntelange Fertigungsexpertise, die Luke haftet an internationalen Qualitätsstandards und unterzogen sich strengen Leistungstests, um eine Konsistenz zu gewährleisten. Die erhöhte Struktur verbessert die Kompatibilität mit ungleichmäßigen Deckflächen, während der Doppelhundverriegelungsmechanismus den Betrieb vereinfacht-selbst in Szenarien mit hohem Stress. Für globale Kunden bietet HEE Just-in-Time-Lieferung und maßgeschneiderte Anpassungen an, um die DF-274-5 2-Hunde, die wasserdichtes hässliche Luke als erstklassige Wahl für Marine-Ingenieure und -Projektmanager, weiter zu festigen.
Die Präzision in den Abmessungen ist für die nahtlose Deckintegration von entscheidender Bedeutung, und der DF-274-5 ist so konstruiert, dass er die anspruchsvollen Standards entspricht. Die folgende Tabelle beschreibt ihre physikalischen Kernparameter:
Modell Nr. | A (Länge) | B (Breite) | C (Höhe) | Wt. (Gewicht) |
DF-274-5 | 23 ' | 15 ' | 5 ' | 90 lbs |
Jede Komponente der DF-274-5 2 Hunde, die mit der Wasserdicht erhöht ist, wird wegen Haltbarkeit und Widerstands gegen marinenspezifische Verschleiß ausgewählt. In der folgenden Tabelle werden die Materialspezifikationen beschrieben, während die Leistungstests ihre wasserdichten Behauptungen bestätigen:
Name & Spezifikationen | Menge | Material |
Abdeckung (Luke Top) | 1 | STEEL |
Koaming (Decksrahmen) | 1 | STEEL |
Dichtungsdichtung | 1 | Neopren |
Hundegriff (Sperren) | 2 | GUSSEISEN |
Tumble Bolt (Befestigungselement) | 2 | BRONZE |
Um eine kompromisslose wasserdichte Leistung zu gewährleisten, wird der DF-274-5 mit einem Druck von 0,04 MPa obligatorische Leckageprüfungen unterzogen, was die Branchenbenchmarks für die Wasserbeständigkeit in Meeresdecksanschlüssen entspricht. Dieser Test simuliert starken Regen, Wellenspritzer und hohen Bedingungen mit hoher Luftfeuchtigkeit und garantiert keine Wasserdurchdringung, wenn die Luke ordnungsgemäß gesichert ist.
Der Hauptvorteil des Die DF-274-5 2-Hundes erhöhte wasserdichte Hatchs in seiner außergewöhnlichen Versiegelungsfähigkeit. Neopren -Dichtung - ein synthetischer Gummi, der für Flexibilität und chemischer Widerstand bekannt ist - bildet eine enge Dichtung zwischen der Stahlabdeckung und dem Koaming. Im Gegensatz zu starren Dichtungen passt Neopren an kleinere Deckschwingungen oder thermische Expansion an, wodurch Lücken beseitigt, die Lecks verursachen. Der doppelte Gusseisenhundgriff funktioniert zusammen mit Bronze -Tumble -Schrauben, um den Druck gleichmäßig über die Dichtung zu verteilen, und sorgt auch nach wiederholten Verwendung konsistente Versiegelung. Dieses Design macht die Luke ideal für Gebiete, die Salzwasser, starker Niederschläge oder hoher Feuchtigkeit ausgesetzt sind.
Meeresumgebungen fordern Materialien, die Salzwasser, Oxidation und Auswirkungen standhalten-und der DF-274-5 liefert an dieser Front. Die Stahlabdeckung und die Koaming bieten strukturelle Steifigkeit, um schwere Lasten (z. B. Fußverkehr, Platzierung der Geräte) ohne Biegen oder Risse zu bewältigen. Bronze -Tumble -Schrauben widerstehen Rost und galvanischer Korrosion, ein häufiges Problem mit Stahlverbot in Salzwasser. In der Zwischenzeit bieten die Gusseisen -Hundegriffe einen überlegenen Verschleißfestigkeit und gewährleisten jahrelang ohne Verformung einen reibungslosen Betrieb. Für Kunden in extremen Umgebungen (z. B. Offshore Oil Rigs) bietet HEE optionale, heißen, verzinkte Veredelung oder Edelstahlkonstruktion , um die Korrosionsbeständigkeit weiter zu verbessern.
Der DF-274-5 ist auch in engen Räumen oder Notfallszenarien ausgelegt. Die beiden Hundegriffe verfügen über einen rutschfesten Griff, sodass die Bediener die Luke schnell sperren/entsperren können-keine speziellen Werkzeuge erforderlich. Im Gegensatz zu Multi-Bolt-Luken, die eine sequentielle Feststellung erfordern, verkürzt der Dual-Dog-Mechanismus die Betriebszeit um 50%, ein kritischer Vorteil bei dringenden Reparaturen oder Ladungsbelastungen. Darüber hinaus minimiert die einfache Komponentenstruktur der Luke die Wartung.
HEE erkennt an, dass jedes Marine-Projekt einzigartige Anforderungen hat, sodass der DF-274-5 2-Hunde, der wasserdicht ist, maßgeschneiderte Lösungen bietet. Über den Standard-Stahlkonstruktion hinaus können die Kunden sich für extreme Korrosionsbeständigkeit (z. B. tropische Meeresumgebungen) oder eine heiß getippte Galvanisierung für den kostengünstigen Rostschutz für Die Höhenanpassung ist auch verfügbar: Das Standard 5' -Koaming kann so eingestellt werden, dass sie Decksöffnungen in verschiedenen Tiefen anpassen, um eine nahtlose Integration in die vorhandene Infrastruktur zu gewährleisten. Edelstahl (316L) entscheiden.
Der DF-274-5 ist ein Grundnahrungsmittel für Frachtschiffe, Fähren und Angelschiffe. Es ist in der Regel auf Decköffnungen installiert, die zu unter Deck-Ladungspunkten, Motorräumen oder Besatzungsvierteln führen-schützen empfindliche Geräte (z. B. elektrische Systeme, Kraftstofftanks) durch Wasserschäden während rauer See. Seine 90-Pfund-Gewichtsstrafe dauerhaft und die Tragbarkeit. Damit ist es für mittelgroße Schiffe geeignet, bei denen Gewichtsbeschränkungen gelten.
Offshore-Plattformen arbeiten in einigen der härtesten Umgebungen, sodass die df-274-5 2-hundgewachsene wasserdichte Luke zum Stand von Salzspray, starken Wind und Temperaturschwankungen konstruiert ist. Es wird verwendet, um Öffnungen an Wartungswellen, Lagerraum und Kontrollräumen zu versiegeln und Korrosion kritischer Infrastruktur (z. B. Pipelines, Ventile) zu bestimmen. Die optionale Konstruktion aus rostfreiem Stahl wird für diese Anwendungen dringend empfohlen, da sie die Lebensdauer der Luke um 3 bis 5 Jahre im Vergleich zu Standardstahl verlängert.
Anschlüsse und Docks erfordern Luken, die schweren Fußverkehr, Ausrüstungsbewegung und Exposition gegenüber Gezeitenwasser bewältigen können. Die Stahlabdeckung von DF-274-5 unterstützt Lasten von bis zu 500 Pfund. Damit ist es ideal für die Installation auf Dock-Decks, Lagerladebächtern oder Wartungstunneln. Sein wasserdichtes Design schützt auch unterirdische Versorgungsunternehmen (z. B. elektrische Kabel, Wasserrohre) vor Überschwemmungen bei hohen Gezeiten oder starkem Regen.
Intermodale Behälter (z. B. Versandbehälter, Schienenguteinheiten) erfordern häufig Luken für den Zugang zu interner Lagerung. Die erhöhte Struktur des DF-274-5-Unternehmens verhindert, dass Wasser auf der Abdeckung zusammenhält, ein häufiges Problem mit Flush-Luken, das zu Leckagen führt. Es wird verwendet, um Öffnungen an gekühlten Behältern (Reefers) oder gefährlichen Materialbehältern zu versiegeln und sicherzustellen, dass die Fracht (z. B. Lebensmittel, Chemikalien) vor Feuchtigkeit und Kontamination während des Transports geschützt bleibt.
HEE (Changshu Haichuan Engineering & Equipment Co., Ltd.) bietet End-to-End-Unterstützung für die DF-274-5 2 Hunde, die wasserdicht ist . Kunden profitieren von:
· Beratung vor dem Verkauf: Die Ingenieure von HEE unterstützen die Empfehlungen zur Abmessung und die Anpassungsempfehlungen, um sicherzustellen, dass die Luke zu bestimmten Projektanforderungen entspricht.
· Globale Lieferung: Just-in-Time-Versand in über 50 Länder mit beschleunigten Optionen für dringende Projekte.
· After-Sales-Service: Ersatzteile (z. B. Neoprendichtungen, Bronzeschrauben) sind für eine schnelle Lieferung erhältlich und minimieren Ausfallzeiten.
Der DF-274-5 2 Hunde erhöhte wasserdichte Luke ist eine Premium-Marine-Deck-Fitness, die von Hee (Changshu Haichuan Engineering & Equipment Co., Ltd.) entwickelt wurde, einem führenden Hersteller in China, der sich auf Meeres- und Offshore-Geräte spezialisiert hat. Diese Luke wurde entwickelt, um den kritischen Bedarf an zuverlässigen Wasserbeständigkeit in harten marinen Umgebungen zu befriedigen, und dient als Schutzbarriere für Decköffnungen, wodurch Wasserein-, Staubakkumulation und Korrosion verhindern kann, die die inneren Komponenten von Schiffen, Offshore -Plattformen oder Portinfrastruktur beschädigen könnte.